標題 【體育組公告】轉知114學年度運動成績優良學生單獨招生相關訊息
訊息分類 不分類
公告單位 體育組長
日期起迄 2025-03-05 12:00~2025-05-03 23:50 更新時間: 2025-03-05 12:03:53
訊息內容
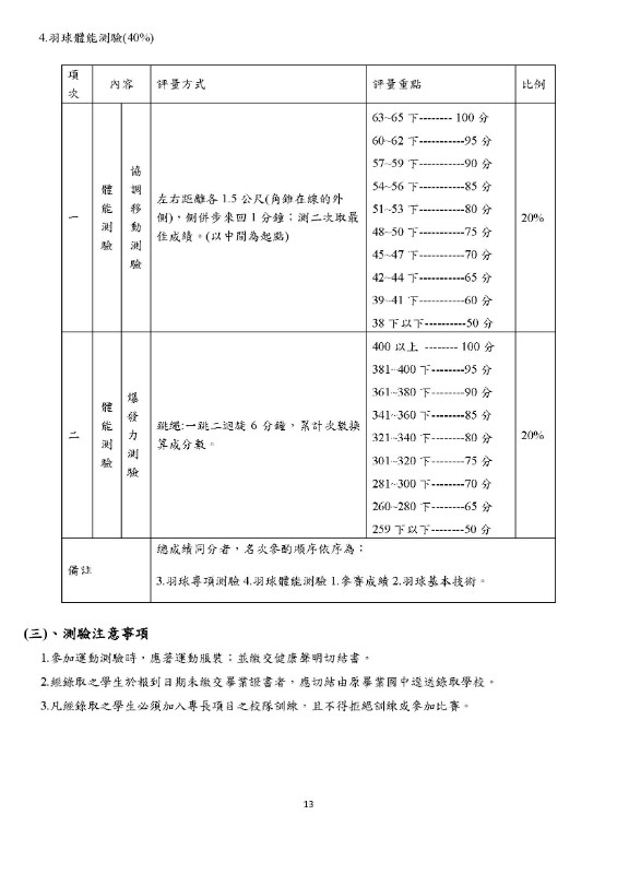
一、 招生運動項目如下:排球、羽球等2項;招生名額及招生方式,請詳閱簡章。
二、 招生簡章於即日起,可至本校網站免費下載查詢,不另發售紙本簡章,相關招生資訊請協助放入貴校首頁最新訊息,歡迎貴校符合報考資格之學生踴躍報考。
三、 諮詢服務電話:報名、術科考試等問題請洽學務處體育組:(04)7240042-1306

 

  • img
  • img
  • img
  • img
  • img
  • img
  • img
  • img
  • img
  • img
  • img
  • img
  • img